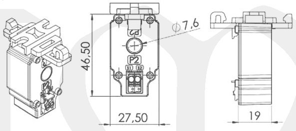
Nejmenší existující provedení transformátorů proudu MBS.
Jednofázový transformátor proudu o kruhovém průměru vodiče 7,5 mm.
- díky malým rozměrům jsou vhodné například pro použití ve výpočetních střediscích
- je možná přímá montáž na třífázové vedení
-
rychlá a jednoduchá montáž:
Transformátory L1 a L3 jsou umístěny pomocí příchytky na DIN lištu (objednací kód 55018) a transformátor L2 je naklapnut na transformáítory L1 a L3 - jednoduché připojení sekundárních vodičů k transformátoru pomocí pezšroubových svorek "picoMAX"
- sekundární proud 1A ve třídě přesnosti 1
zašlete poptávku Vašich požadovaných parametrů na eximus@eximus.cz
