Stavebnice PT018 Digitální termostat

Stavebnice PT018 Digitální termostat
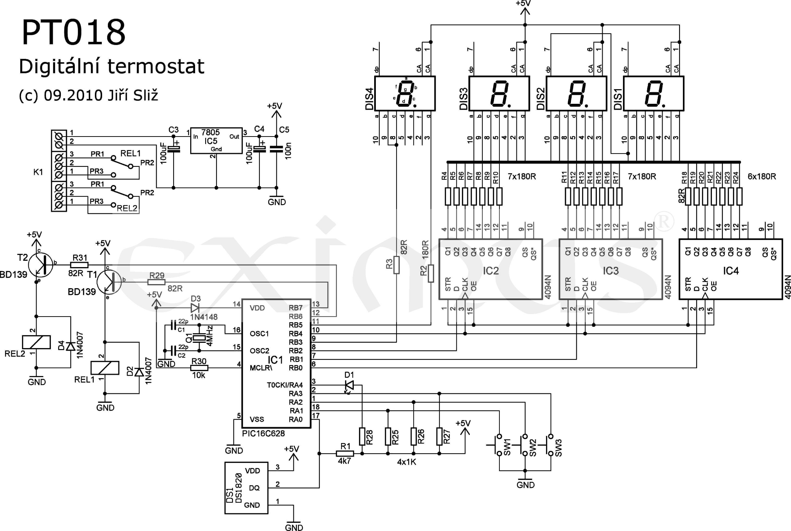
Stavebnice termostatu s digitálním teplotním čidlem od firmy Dallas.
- měří teplotu s přesností 0,5°C v rozsahu -50°C až 125°C.
- možnost aktivace termostatu
- v režimu termostatu se pomocí tlačítek nastavují dvě hodnoty teploty: nad větší z nich sepne jedno relé, pod menší z nich sepne druhé relé. Termostat lze také stiskem jednoho tlačítka vypnout, či znovu zapnout.
- libovolně nastavitelná hystereze (například, o kolik stupňů se má zvýšit teplota, než se odpojí kotel... nebo o kolik stupňů se má vůči nastavené teplotě snížit teplota, než se odpojí klimatizace)
- paměť EEPROM pro nastavené hodnoty, díky čemuž se např. při výpadku proudu nemusí termostat znovu nastavovat.
- čidlo je možné zapojit přímo do svorkovnice, nebo na prodlužující 3 žilový přívod. Vyzkoušeno na 15 metrech, možnost ještě delšího vedení čidla se nyní testuje.

Napájecí napětí: 6,5 - 15 V
Proudový odběr: max. 150 mA
Dva spínané okruhy: relé 250V/4A
Teplotní čidlo: DS18B20
Teplotní rozsah: -50 až 125°C
Rozměry DPS: základna - 96 x 86 mm, panel - 96 x 26 mm.

Parametry výrobku:

Regulační rozsah -50..+125 °C
Délka kapiláry [cm], nebo provedení interiérový
Cena: 479 Kč (bez DPH)
Cena: 580 Kč včetně DPH 21 %
Do košíku

Id: 11216,